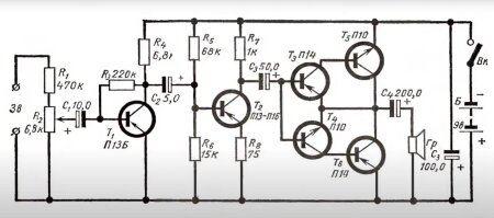
За основу был взят нерабочий проигрыватель Юность 301. От него основа, а усилитель свой, на транзисторах...
Однако мощьность не устроила, поэтому транзисторы выходного каскада были заменены:
Т3 - вместо П14 поставил ГТ402
Т4 - вместо П10 поставил ГТ404
Т5 - вместо П10 поставил ГТ404
Т6 - вместо П14 поставил ГТ402
Hавигация сайта
- ► Порталы при сайте
- Гифки и клипарт
- Юмор из сети
- ► Полезное
- Скачать софт
- Про AI
- Про Windows
- Про Linux
- ДуДу2.Разработки
- Скрипты на PHP
- ► Сервисы.ДуДу2
- Архив.ДуДу2
- Музыка.ДуДу2
- Кино.ДуДу2
- Учебник.ДуДу2
- Тесты.ДуДу2
- Python WEB.ДуДу2
- Хостинг МегаНарод
Личный кабинет
Панель авторизации
Облако тегов
Кнопки
Реклама

