НА СТАРТ, ВНИМАНИЕ, ВЕЩАЕМ!
В январе на Радио.ДуДу2 только лучшие новогодние песни!

НА СТАРТ, ВНИМАНИЕ, ВЕЩАЕМ!
В январе на Радио.ДуДу2 только лучшие новогодние песни!
Поставил для теста сайта браузер Firefox 1.01, версия 2004 года... О это единственный старый браузер который корректно отображает мой сайт.




В январе по Радио.ДуДу2 будут транслироваться новогодние песни
Сайт ДуДУ2.ру будет работать теперь только в 2025 году =)

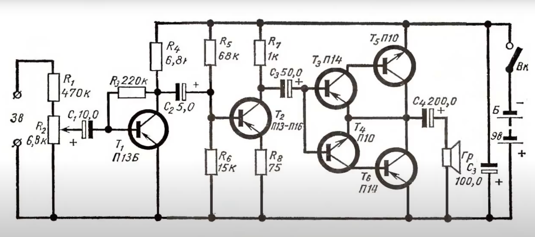
За основу был взят нерабочий проигрыватель Юность 301. От него основа, а усилитель свой, на транзисторах...

Схема усилителя:

Однако мощьность не устроила, поэтому транзисторы выходного каскада были заменены:
Т3 - вместо П14 поставил ГТ402
Т4 - вместо П10 поставил ГТ404
Т5 - вместо П10 поставил ГТ404
Т6 - вместо П14 поставил ГТ402
Отчетливо видно что, что отверстие просверлено криво =(


Но швейная машина Подольск 142 полностью настроена, и шьет =)
Сейчас многие собирают ПК в белых корпусах, решил тоже собрать...

Если заглушек нет... А DVD приводы есть...






Компания LG Electronics прекращает выпуск Blu-ray-плееров, но не прочь вернуться на рынок, если спрос на Blu-ray-плееры снова вырастит.
P. S.
С появлением стриминговых сервисов, компакт-диски стали никому не нужны. Эпоха ушла.
Поставил сегодня несколько бесперебойников...




Наверное возникает вопрос "зачем столько бесперебойников?" - А ответ прост, вот что бывает когда несколько раз резко пропадает питание...

Это старый ПК его не так сильно жалко, а новые жалко... на них много важной информации.

Скорость IDE HHD

Да скорость так себе, но для хранения файлов пойдёт, т. к. состояние хорошее =)

На нашем сайте вы можете создать бесплатный самоподписаный SSL сертификат, для этого передите на Народ.ДуДу2 Если не работает, есть другая ссылка [http://hosting.dudu2.ru/ssl.php]

Хотел проапгрейдить сервер, но корпус упал...
Небольшие повреждения, ничего серьезного





Теперь у меня нормальная админка в блоге, могу добавлять больше записей, и теперь картинки по нормальному смогу масштабировать =)

| Название движка: | Описание: | Скачать: |
| Блог | Блоговый движок, который используется в Блог.ДуДу2 | Скачать [1] [2] |
| Гостевая | Скрипт нашей гостевой | Скачать [1] [2] |
| Мастер-сити | Полная версия сайта Мастер-сити | Скачать [1] [2] |
На нашем сайте используются самописаные движки, я планирую их выложить, подробности будут позже
Мы запустили свое радио (https://radio.dudu2.ru) Радио.ДуДу2 =)
Немного украшений:



© 2023-2025 ДуДу2
|
|